Заказать звонок
Все
  1. Главная
  2. Каталог товаров
  3. Электрокабельная арматура
  4. Кабельные клеммы
  5. Неизолированные кабельные клеммы
  6. RNBL2-5 (упак 1000шт)

Наконечник кабельный кольцевой KST RNBL2-5 (1000шт)

Код: 23829
Обновлен 10 декабря 2025
KST
Один из крупнейших производителей наконечников, клемм для проводов, всевозможных разъемов, монтажной и кабельной фурнитуры.

Характеристики

Описание товара

Условия доставки по РФ

Технические характеристики

Тип клеммы
Тип О
Материал
Медь
Изоляция клеммы
Нет
Сечение провода, мм.кв
1,5 - 2,5
Винт
M5
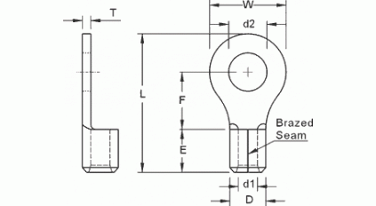
Незолированный кабельный кольцевой наконечник под обжим для проводов. на провод 1.5 - 2.5 мм.кв, винт 5 мм. до 30А. Материал: медь. d2 = 5.3 mm, W = 9.5 mm, F = 7.4 mm, L = 17 mm, E = 4.8 mm, D = 4.1 mm, d1 = 2.3 mm, T = 0.8 mm.

 Доступны следующие способы доставки заказа

  • DPD - по России (включается в счет при оформлении заказа)

  • Самостоятельный заказ транспортной компании (необходимо заранее прислать в наш адрес доверительное письмо)

  • Самовывоз со склада (г. Москва, Высоковольтный проезд, д.1, стр. 24)

Служба доставки DPD

Стоимость доставки можно узнать здесь.

Местонахождение посылки можно узнать здесь.

Воспользовавшись нашим сервисом по доставке, Вы в значительной степени сэкономите время и уменьшите материальные затраты, сможете отслеживать свой товар по всему пути следования.


Другая транспортная компания

Если вы желаете самостоятельно вызвать транспортную компанию для забора груза, то Вам необходимо заранее выслать в наш адрес "доверительное письмо" на компанию перевозчика, продублировав его по электронной почте ect@ect.ru. Компания перевозчик приезжает со своей доверенностью и расписывается в товарной накладной ТОРГ12.

Самовывоз со склада в Москве

Вы можете самостоятельно забрать свой товар с операционного склада в Москве, который находится рядом с отделом продаж       (г. Москва, Высоковольтный проезд, д.1, стр.24).

При получении товара в Москве необходимо иметь при себе "живую" печать или доверенность.

Сертификаты

Сертификат ИСО 9001-2015.1
ИСО 9001-2015.1
Сертификат ИСО 9001-2015.2
ИСО 9001-2015.2
Сертификат AVC
AVC
Сертификат COSMO
COSMO
Сертификат DINKLE
DINKLE
Сертификат HEAVY POWER
HEAVY POWER
Сертификат K.S. Terminals
K.S. Terminals
Сертификат Терминалы СОДК ЭКТ
Терминалы СОДК ЭКТ
Сертификат SONG CHUAN
SONG CHUAN

Информация для клиентов

Как купить
Информация о доставке
Способы оплаты
Гарантия и возврат

Как оформить заказ

  • Заказ доступен только для юридических лиц и индивидуальных предпринимателей.
  • Наличие товара на складе и цена актуальны на момент заказа.
  • Заказ на товары со склада комплектуется только после 100% предоплаты.
  • К покупке доступны товары только в наличии или обозначенные к поступлению  — минимальный заказ согласно нормоупаковке, независимо от цены.


Подробнее

Информация о доставке

Доступны следующие способы доставки заказа:

  • DPD - доставка в счет (Россия). Включается в счет при оформлении заказа.
  • Самостоятельный заказ транспортной компании (необходимо заранее прислать в наш адрес доверительное письмо)
  • Самовывоз (г. Москва, Высоковольтный проезд, д.1, стр. 24)
Подробнее

Способы оплаты

Мы работаем только с юридическими лицами (ООО, АО, ИП и др.), поэтому можем предложить Вам только безналичную форму оплаты.

Подробнее

Гарантия

Компания "ЭКТ" гарантирует качество поставляемого товара и дает срок гарантии 12 месяцев с момента ввода в эксплуатацию, но не более 18 месяцев с даты поставки.

Возврат

В соответствие с действующим законодательством РФ, технически сложные товары надлежащего качества не подлежат возврату и обмену.

В случае обнаружения дефектов товара, компания обязуется заменить дефектный товар новым, либо вернуть денежные средства за дефектный товар.

Претензии по браку принимаются в сроки, согласно законодательству РФ. Во всех случаях следует заявить о проблеме, возникшей с товаром, на почту ect@ect.ru или непосредственно менеджеру с которым вы работаете.

Подробнее