Заказать звонок
Все
  1. Главная
  2. Каталог товаров
  3. Электрокабельная арматура
  4. Наконечники кабельные кольцевые, вилочные и крюк
  5. Неизолированные наконечники кабельные кольцевые, вилочные и крю
  6. RNBS1-4 (упак 1000шт)

Наконечник кабельный кольцевой KST RNBS1-4 (1000шт)

Код: 23826
Обновлен 21 мая 2026
Распродажа
KST
Один из крупнейших производителей наконечников, клемм для проводов, всевозможных разъемов, монтажной и кабельной фурнитуры.

Характеристики

Описание товара

Условия доставки по РФ

Технические характеристики

Тип клеммы
Тип О
Материал
Медь
Изоляция клеммы
Нет
Сечение провода, мм.кв
0,5 - 1,5
Винт
M4
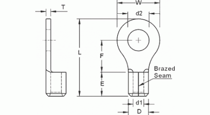
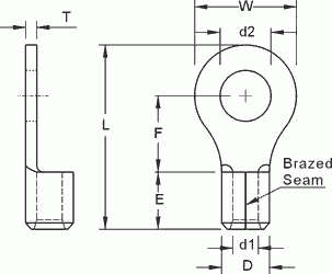
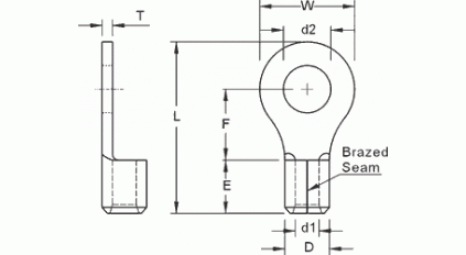
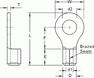
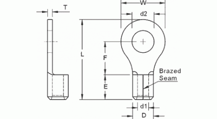
Клемма тип "О" неизолированная. на провод 0.5 - 1.5 мм.кв, винт 4 мм. до 18А. Материал: медь. d2 = 4.3 mm, W = 6.6 mm, F = 6.3 mm, L = 14.4 mm, E = 4.8 mm, D = 3.4 mm, d1 = 1.7 mm, T = 0.75 mm.

 Доступны следующие способы доставки заказа

  • DPD - по России (включается в счет при оформлении заказа)

  • Самостоятельный заказ транспортной компании (необходимо заранее прислать в наш адрес доверительное письмо)

  • Самовывоз со склада (г. Москва, Высоковольтный проезд, д.1, стр. 24)

Служба доставки DPD

Стоимость доставки можно узнать здесь.

Местонахождение посылки можно узнать здесь.

Воспользовавшись нашим сервисом по доставке, Вы в значительной степени сэкономите время и уменьшите материальные затраты, сможете отслеживать свой товар по всему пути следования.


Другая транспортная компания

Если вы желаете самостоятельно вызвать транспортную компанию для забора груза, то Вам необходимо заранее выслать в наш адрес "доверительное письмо" на компанию перевозчика, продублировав его по электронной почте ect@ect.ru. Компания перевозчик приезжает со своей доверенностью и расписывается в товарной накладной ТОРГ12.

Самовывоз со склада в Москве

Вы можете самостоятельно забрать свой товар с операционного склада в Москве, который находится рядом с отделом продаж       (г. Москва, Высоковольтный проезд, д.1, стр.24).

При получении товара в Москве необходимо иметь при себе "живую" печать или доверенность.

Похожие товары

Распродажа
В наличии 14 шт.
Тип клеммы: Тип О
Материал: Медь
Изоляция клеммы: Нет
Сечение провода, мм.кв: 1,5 - 2,5
Винт: M5
708.86
Распродажа
В наличии 6 шт.
Тип клеммы: Тип О
Материал: Медь
Изоляция клеммы: Нет
Сечение провода, мм.кв: 16,0
Винт: M10
3852.27
В наличии 3 шт.
Тип клеммы: Тип О
Материал: Медь
Изоляция клеммы: Нет
Сечение провода, мм.кв: 25
Винт: M8
6162.85
В наличии 10 шт.
Тип клеммы: Тип О
Материал: Медь
Изоляция клеммы: Нет
Сечение провода, мм.кв: 10,0
Винт: M8
15116.18
Распродажа
В наличии 20 шт.
Тип клеммы: Тип О
Материал: Медь
Изоляция клеммы: Нет
Сечение провода, мм.кв: 25
Винт: M10
594.18
Распродажа
В наличии 12 шт.
Тип клеммы: Тип О
Материал: Медь
Сечение провода, мм.кв: 16,0
Винт: M6
2938.17
Распродажа
В наличии 14 шт.
Тип клеммы: Тип О
Материал: Медь
Изоляция клеммы: Нет
Сечение провода, мм.кв: 4,0 - 6,0
Винт: M8
2154.66
В наличии 4 шт.
Тип клеммы: Тип О
Материал: Медь
Изоляция клеммы: Нет
Сечение провода, мм.кв: 10,0
Винт: M6
8411.10
В наличии 3 шт.
Тип клеммы: Тип О
Материал: Медь
Изоляция клеммы: Нет
Сечение провода, мм.кв: 16,0
Винт: M8
6146.98
Распродажа
В наличии 25 шт.
Тип клеммы: Тип О
Материал: Медь
Изоляция клеммы: Нет
Сечение провода, мм.кв: 4,0 - 6,0
Винт: M10
2419.47

Рекомендуемые товары

В наличии 3 шт.
Тип клеммы: Тип О
Материал: Медь
Изоляция клеммы: Нет
Сечение провода, мм.кв: 25
Винт: M8
6162.85
В наличии 3 шт.
Тип клеммы: Тип О
Материал: Медь
Изоляция клеммы: Нет
Сечение провода, мм.кв: 16,0
Винт: M8
6146.98
Распродажа
В наличии 6 шт.
Тип клеммы: Тип О
Материал: Медь
Изоляция клеммы: Нет
Сечение провода, мм.кв: 16,0
Винт: M10
3852.27
В наличии 2 шт.
Материал: Никелированная латунь
D.cable min: 0
Температурный диапазон: -40 C ...+100 C
D.cable max: 0
Резьба: M32
Длина резьбы, мм: 0
Тип корпуса: Разборный
Кол-во кабелей: 1
IP: 68
1180.31
В наличии 2 шт.
Номинальное напряжение, B: 0
Сечение провода, мм.кв: 6
357.07
В наличии 28 шт.
Конфигурация контактов: 2С
Напряжение управления: 24VDC
Максимальный ток, А: 0
47.00
В наличии 50 шт.
Материал: Полиамид
Цвет: Серый
D.cable min: 0
Температурный диапазон: -20 C ...+80 C
D.cable max: 0
Резьба: PG16
Длина резьбы, мм: 0
Тип корпуса: Монолитный
Кол-во кабелей: 1
IP: 68
313.46
В наличии 2 шт.
Материал: Никелированная латунь
D.cable min: 0
Температурный диапазон: -40 C ...+100 C
D.cable max: 0
Резьба: PG29
Длина резьбы, мм: 0
Тип корпуса: Разборный
Кол-во кабелей: 1
IP: 68
1305.67
В наличии 6 шт.
Номинальное напряжение, B: 0
Номинальный ток, А: 0
602.48
В наличии 50 шт.
Материал: Полиамид
Цвет: Серый
D.cable min: 0
Температурный диапазон: -20 C ...+80 C
D.cable max: 0
Резьба: PG9
Длина резьбы, мм: 0
Тип корпуса: Монолитный
Кол-во кабелей: 1
IP: 68
287.52

Сертификаты

Сертификат ИСО 9001-2015.1
ИСО 9001-2015.1
Сертификат ИСО 9001-2015.2
ИСО 9001-2015.2
Сертификат AVC
AVC
Сертификат COSMO
COSMO
Сертификат DINKLE
DINKLE
Сертификат HEAVY POWER
HEAVY POWER
Сертификат K.S. Terminals
K.S. Terminals
Сертификат Терминалы СОДК ЭКТ
Терминалы СОДК ЭКТ
Сертификат SONG CHUAN
SONG CHUAN

Информация для клиентов

Как купить
Информация о доставке
Способы оплаты
Гарантия и возврат

Как оформить заказ

  • Заказ доступен только для юридических лиц и индивидуальных предпринимателей.
  • Наличие товара на складе и цена актуальны на момент заказа.
  • Заказ на товары со склада комплектуется только после 100% предоплаты.
  • К покупке доступны товары только в наличии или обозначенные к поступлению  — минимальный заказ согласно нормоупаковке, независимо от цены.


Подробнее

Информация о доставке

Доступны следующие способы доставки заказа:

  • DPD - доставка в счет (Россия). Включается в счет при оформлении заказа.
  • Самостоятельный заказ транспортной компании (необходимо заранее прислать в наш адрес доверительное письмо)
  • Самовывоз (г. Москва, Высоковольтный проезд, д.1, стр. 24)
Подробнее

Способы оплаты

Мы работаем только с юридическими лицами (ООО, АО, ИП и др.), поэтому можем предложить Вам только безналичную форму оплаты.

Подробнее

Гарантия

Компания "ЭКТ" гарантирует качество поставляемого товара и дает срок гарантии 12 месяцев с момента ввода в эксплуатацию, но не более 18 месяцев с даты поставки.

Возврат

В соответствие с действующим законодательством РФ, технически сложные товары надлежащего качества не подлежат возврату и обмену.

В случае обнаружения дефектов товара, компания обязуется заменить дефектный товар новым, либо вернуть денежные средства за дефектный товар.

Претензии по браку принимаются в сроки, согласно законодательству РФ. Во всех случаях следует заявить о проблеме, возникшей с товаром, на почту ect@ect.ru или непосредственно менеджеру с которым вы работаете.

Подробнее